TRES Скрытый элемент для смесителей для умывальника на 2 отверстия 20830002
TRES
Обновите интерьер ванной комнаты с надежными смесителями и душевыми системами от бренда TRES! Широкий ассортимент моделей премиум-класса: от классических до ультрасовременных решений с термостатами, сенсорным управлением и антикоррозийной защитой. До... Подробнее...Информация о товаре предоставлена для ознакомления и не является публичной офертой. Производители оставляют за собой право изменять внешний вид, характеристики и комплектацию товара, предварительно не уведомляя продавцов и потребителей. Просим вас отнестись с пониманием к данному факту и заранее приносим извинения за возможные неточности в описании и фотографиях товара. В связи с постоянным изменением остатков на складе, наличие товара уточняйте у сотрудников магазина.
Импортеры: ООО "ТрайдексБелПлюс", 223016 Минская область, Минский район, Новодворский с/с, 33/1-8, к. 64. Триовист ООО, 220073, Минск, ул. Ольшевского, 22, пом. 15. COOO "Гравитех" 220086, Минск, Славинского 1/2 офис 100. ООО "НТТ Импорт", 223060 Минский р-н, Новодворский с/с, д.40/2, оф.86, район д.Большое Стиклево. Домотехника ООО, 220092, г. Минск, ул. Берута, 3Б, пом. № 16.
Сервисные центры: СЦ ЦБТ Сервис, г. Минск, ул. Я.Коласа 52. СЦ «Летта» Минск, ул. Маяковского 14.
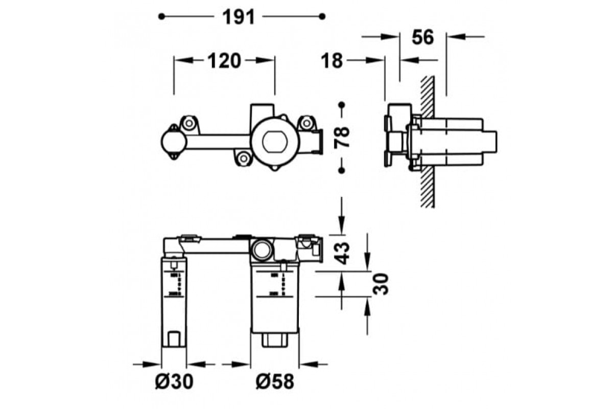
TRES 20830002 – это:
- Неразъемный корпус: Гарантия прочности и долговечности конструкции.
- Акустические демпферы: Обеспечивают тихую работу смесителя.
- Влагозащитное уплотнение: Надежная защита от протечек и влаги.
- Латунь с низким содержанием свинца: Безопасный и экологичный материал.
- Хромированная отделка: Изысканный внешний вид и устойчивость к коррозии.
Технические характеристики:
- Производитель: Tres
- Артикул: 20830002
- Тип: Встраиваемый корпус для смесителя для раковины
- Материал: Латунь с низким содержанием свинца
- Отделка: Хромированная
- Элемент подключения: Настенный G1/2"
- Артикул картриджа (запасная часть): 29902801
Ключевые преимущества:
- Максимальная надежность и долговечность благодаря неразъемному корпусу.
- Тихая и комфортная эксплуатация благодаря акустическим демпферам.
- Защита от протечек и влаги благодаря влагозащитному уплотнению.
- Безопасность и экологичность благодаря латуни с низким содержанием свинца.
- Элегантный и современный дизайн.
Дополнительная информация:
- Производство: Испания
- Состояние: Новый
- Устойчивость к ржавчине: Да

+375 (29) 151-23-53
+375 (29) 151-23-53
+375 (29) 151-23-53