Инсталляция для подвесного унитаза hansgrohe iFrame universal 01022180
Hansgrohe
Почему Hansgrohe?: Мировой лидер в индустрии сантехники Hansgrohe — бренд, задающий стандарты с 1901 года. Продукция устанавливается в бутик-отелях, спа-комплексах и премиальных интерьерах. Инновационные технологии — EcoSmart ... Подробнее...Уникальные особенности:
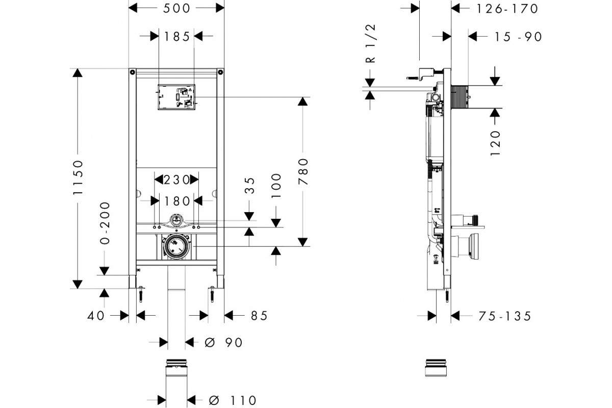
Высококачественные материалы: Наша инсталяция изготовлена из прочной стали, а бачок — из надежного пластика. Дренажная труба выполнена из полипропилена, что обеспечивает долговечность и устойчивость к коррозии. Вы можете быть уверены в её надежности на долгие годы!
Эргономичный дизайн: Благодаря возможности регулировки глубины дренажной трубы от 75 до 115 мм, инсталяция легко адаптируется под любые условия. Межосевое расстояние крепления унитаза можно выбрать в 180 или 230 мм, что позволяет установить его в самых разных интерьеров.
Экономия воды: С заводской установкой объема смыва 6 л и 3 л, вы не только заботитесь о природе, но и снижаете расходы на коммунальные услуги. Половинный смыв в 3 литра — это удобно и экологично!
Гибкость подключения: Расположение подключения воды как сзади, так и сбоку, делает установку инсталяции максимально удобной, а адаптер для сливной трубы DN 90/110 позволит легко интегрировать систему в вашу сантехнику.
Совместимость с душем-туалетом: Идеальное решение для современных ванных комнат, где пространство имеет решающее значение. Ваша ванная станет не только функциональной, но и стильной!
Преимущества:
Проблемы с пространством? Инсталяция hansgrohe iFrame universal позволяет сэкономить место, предоставляя возможность установки подвесного унитаза, который выглядит легче и современнее, чем традиционные модели.
Стиль и уют: Эстетика вашей ванной комнаты будет на высоте благодаря скрытой инсталяции. Наслаждайтесь чистотой и упорядоченным видом без лишних деталей!
Гарантия качества: hansgrohe — это имя, которому доверяют. Мы предлагаем вам не просто продукт, а часть вашего дома, которая будет служить вам верой и правдой!

+375 (29) 151-23-53
+375 (29) 151-23-53
+375 (29) 151-23-53